大家认为,维持角膜正常生理作用,比较重要的因素是什么?
是不含血管?是上皮细胞不含色素?是角膜上皮无角化?还是角膜本身的代谢?实际上,这些都是,但,更重要的是角膜内皮细胞层的结构完整。

维持角膜生理功能的健全与否,与角膜细胞功能的正常和角膜内皮细胞层的结构完整和功能健全密不可分。为什么这么说?我们先来了解一下,角膜内皮是什么。
角膜内皮其实是一层单层细胞,贴附于角膜后弹力膜,位于角膜内表面。细胞之间紧密相连面向眼前房,控制液体和溶质在角膜后表面的运输,并维持角膜在光学透明所需的轻度脱水状态。
角膜内皮细胞早在妊娠中期就可以达到出生后角膜的总内皮细胞数量(每个角膜约300,000个细胞)。因为内皮细胞的不可再生性,出生后内皮细胞数量是逐渐降低的。同时随着胎儿角膜表面积的增加,内皮细胞密度迅速下降,最终成人密度约为2400-3200个细胞/平方毫米。

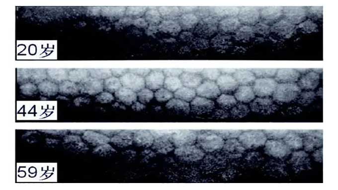
随着年龄增加,角膜内皮细胞密度越来越小
正常的角膜内皮是单层大小均匀的细胞,主要呈六边形。当某区域内皮细胞凋亡,其相邻细胞会相应增大并移行填充该区域。
角膜内皮的主要生理功能是允许溶质和营养物质从房水渗漏到角膜的更浅层,同时将水以相反的方向从基质泵入前房。其作用就像抽水泵一样维持角膜的脱水状态。一旦泵功能受损,角膜即发生水肿,从而失去透明性。

角膜内皮细胞
一些先天性疾病,如fuchs角膜内皮营养不良、病毒感染,角膜内皮炎以及外伤等疾病都会损伤内皮的结构及功能。当病情或损伤尚轻,留存细胞尚能代偿,仍然可以维持角膜的透明。但此时进行任何手术,包括近视激光手术,都需要慎重评估,以免进一步损伤内皮细胞,进而发生角膜内皮细胞失代偿(角膜内皮细胞数少于700~1000个/mm时),严重影响视力。
到目前为止,穿透角膜移植术仍是治疗角膜失代偿的主要方法,对于角膜内皮失代偿患者,手术治疗的主要目的是术后恢复较高的内皮细胞密度。但其临床效果受到术后角膜散光和移植排斥等并发症的困扰。
随着角膜内皮移植手术的开展,对于角膜内皮失代偿及角膜内皮综合征的患者,采用角膜内皮移植术是较好的选择。由于角膜供体短缺,也使我国大部分角膜病患者不能及时得到手术治疗。

随着手术技术的进步,带内层的板层基质移植以及单纯内皮移植等逐渐应用于临床。
有医生为此做了一个研究,发现不仅获得较好的临床疗效,而且可同时提供角膜材料用于板层角膜移植,使同一个角膜材料用于两位患者成为可能,在一定程度上缓解角膜供体不足的矛盾。初步的临床结果表明,角膜内皮移植术是治疗角膜失代偿的一种新的治疗方案,临床效果较好。目前所作的病例数较少,而且随访时间还较短,还需要大量长期的观察来进行临床研究。